歡迎來到浙江國盟電力成套設備有限公司企業官網!
咨詢熱線:0577-62710822TEL:0577-62710822
1010717522@qq.com

KYN61-40.5□ 型鎧裝移開式交流金屬封閉開關設備 (以下簡稱“開關設備”) 其主要特點是柜內配用 ZN85-40.5 型全絕緣真空斷路器及彈簧操動機構,也可配用ABB的VD4-40.5和HD4-40.5柜體采用敷鋁鋅板和冷軋鋼板噴塑組裝而成,提高了手車與柜體的配合精度,手車推進拉出十分輕便,互換性強。外形美觀、方案齊全、使用安全可靠。
本產品用于35kV三相交流50Hz電力系統中,作為發電廠、變電所及工礦企業的配電室接受與分配電能之用,具有控制、保護和監測等功能。本產品符合:GB3906《3~35kV交流金屬封閉開關設備》、GB/TⅡ022《高壓開關設備和控制設備標準的共用技術要求》、DL/T404《交流高壓開關柜訂貨技術條件》、IEC60298《額定電壓1kV以上52kV及以下交流金屬封閉開關設備和控制設備》標準。
型號及其含義
正常使用條件
◎ 周圍空氣溫度:-15℃~+40℃;
◎ 海拔高度:2000m及以下;
◎ 濕度條件:日平均不大于95%,水蒸氣壓力日平均值不超2.2kPa;月平均不大于90%,水蒸氣壓力月平均值不超1.8kPa。
◎ 地震烈度:不超過8度;
◎ 沒有腐蝕性或可燃性氣體等明顯污染的場所。
注:超出上述正常使用條件時,用戶可與本公司協商。
主要技術參數
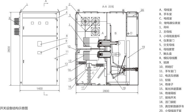
結構特征
本產品分為柜體、手車兩大部分。柜體為鋼板彎制,噴塑后用螺栓組裝而成。按功能特征可分為小線線室、繼電器儀表室、手車室、電纜室和母線室四部分,各部分以接地的金屬隔板分隔。柜體外殼防護等級為IP4X;手車室門打開,防護等級為IP2X。
本開關設備具有電纜進出線、架空進出線、母線聯絡、隔離、電壓互感器、避雷器等主電路方案。母線采用復合絕緣,相間及連接頭配有用阻燃材料注塑而成的絕緣套,主母線相鄰柜間用母線套管隔開,能有效地防止事故蔓延,同時對主母線起到輔助支撐作用。電纜室裝有接地開關、過電壓保護裝置等。
觸頭盒前裝有金屬活門,上下活門在手車從斷開 / 試驗位置運動到工作位置過程中自動打開,當手車反方向運動時自動關閉,與高壓有效隔離。主開關、手車、接地開關及柜門之間的聯鎖均采用強制性機械閉鎖方式,滿足“五防”功能要求。
斷路器手車采用絲桿傳動推進機構,超越離合器。絲桿螺母推進機構輕松地操作使手車在試驗位置和工作位置之間移動,借助絲桿螺母的自鎖性可使手車可靠的鎖定在工作位置,防止因電動力的作用引起手車竄動而引發事故。超越離合器在手車移動退至試驗位置和時至工作位置時起作用,使操作軸與絲桿軸自動脫離而空轉,可防止誤操作而損壞推進機構。其他手車采用杠桿推進機構。試驗工作位置有定位肖鎖定。
柜體外形常規尺寸為:寬×深×高(mm):1400×2800×2600
訂貨時須注明:
◎ 主電路方案編號、用途、單線系統圖、排列圖和配電室平面布置圖等;
◎ 輔助回路接線原理圖、端子排列圖;
◎ 開關設備內的電器元件的型號、規格、數量;
◎ 開關設備控制、測量及保護功能的要求以及其他閉鎖和自動裝置的要標;
◎ 如開關設備之間或進線柜需要母線橋連接,應提供母線橋的額定載流量,母線橋的跨度,距地高度等具體要求數據;
◎ 需要附件、備件時,應提出種類和數量;
◎ 開關設備使用在特殊環境條件,應在訂貨時詳細說明。